CONTACT US
400 - 880 - 3995

模拟量拉线编码器 LU0-ACP06-0413-2S30-ARW
在许多的工业自动化应用中,都需要直线运动传感器,来反馈数据,从而提供系统控制或确保系统安全。博思特POSITAL的拉线编码器,测量长度范围从1米到15米,并且拥有多种配置参数,从而满足不同行业应用的需求。
测量范围从1 米到15 米 (3' to 49')
可选多种绝对值接口位置反馈,分辨高达2微米
超高的线性精度,坚固耐用
低成本,性价比高
具有模拟量输出可调功能
可灵活对拉线量程和模拟量输出比例关系进行配置
拉线编码器产品参数:
电源 8 – 32 VDC
启动时间 <500 ms
工作温度 -20 °C (-4 °F) - +80 °C (+176 °F)
重量 815 g (1.80 lb)
外壳防护等级 (编码器) IP64 / IP65
EMC:发射干扰 DIN EN 61000-6-4
EMC:抗干扰 DIN EN 61000-6-2
机械数据
最大测量长度 2.40 m (7.87')
线毂周长 150.8 mm
线绳材质 聚酰胺涂层的不锈钢
线绳直径 0.45 mm
编码器外壳材料 钢
拉线盒外壳的材料 塑料
线位移的最大速度 1.0 m / s
线绳最大加速度 5.0 g
最大拉出力 7.0 N
最小回缩力 1.0 N
动作寿命 100万次循环 (根据理想条件估算)
线绳连接 线夹
最大。出线角度。 ±3°
传感器数据
技术 磁电 (≤ 0.09°)
精度 ± 0.10 % FSO
重复性 ±0.04 % FSO
分辨率 单圈 13 位
分辨率 多圈 4 位
近似线性分辨率 18.4 µm
输出码制 Analog Current 0 – 20 mA
输出分辨率 在全量程内最高分辨率13位(分级转动-当测量范围小于90度时分辨率将至13位以下)
多圈范围 16位(默认设置)。用户可以使用设定量程功能测量最高达65536圈(也可以使用UBIFAST工具更改圈数)
接口
通讯接口 电流型模拟量
手动功能 测量位置的起点和终点可以通过电缆或连接器进行设置
输出
输出
电气数据
功耗 Desc
最大负载电阻 500 Ω
模拟量精度 @ 20 mA = ±20 µA (在正常的供电情况下)
建立时间 32ms(从最小值到最大值的跳跃)
反极性保护 是
短路保护 是
MTTF 241.0 years @ 40 °C
电气连接
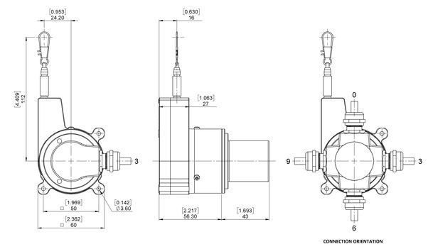
连接方向 径向
连接方向 径向 3
电缆长度 10 m [394"]
导线截面 0.14 mm² / AWG 26
材料 / 类型 PVC
电缆直径 6 mm (0.24 in)
最小弯曲半径 46 mm (1.81") 固定, 61 mm (2.4") 弯曲
产品寿命周期信息
产品寿命周期信息 新产品
連接計劃
信號 電纜顏色
Power Supply 红
GND 黄色
Analog Output 绿色
Set1/Direction 棕色
Set2/Zero Set 白
