CONTACT US
400 - 880 - 3995
博思特Posital绝对值旋转编码器系列为工厂自动化设备的各种应用提供性能和范围它们的角度,长度测量和定位控制,提供每个轴位置的唯一代码值。绝对值编码器有两种类型的光电和磁性,丰富的通信接口类型,具有Profibus-DP,DeviceNet,CANopen,SSI,并行等模拟形式,为客户提供了灵活的选择。
博思特Posital绝对值旋转编码器 产品参数:
接口 PROFINET
Profil PROFIdrive Profile 4.x, Encoder Profile 4.x
诊断 内存
传输速率 Boot-Loader, Round Axis, Flashing LEDs
传输速率 10 / 100 Mbit
接口周期时间 ≥ 1 ms
编程功能 分辨率,时基和速度,预置计数方向,IP地址过滤器
输出驱动器 Ethernet
电气数据
电源电压 10 – 30 VDC
功耗 ≤ 230 mA @ 10 V DC, ≤ 100 mA @ 24 V DC
功耗 ≤ 2.5 W
启动时间 < 1 s
反极性保护 是
短路保护 是
EMC:发射干扰 DIN EN 61000-6-4
EMC:抗干扰 DIN EN 61000-6-2
MTTF 65 年,在40 ℃下
传感器
技术 磁性
单圈分辨率 16 位
分辨率 多圈 12 位
多圈技术 自发电的磁性脉冲计数器(无需电池和齿轮组)
精度 (INL) ±0.0878°(≤12位)
认证 认证/寿命 码制 码 二进制码
环境规格
外壳防护等级 (轴) IP65
外壳防护等级 (外壳) IP66/IP67
工作温度 -40 °C (-40 °F) - +70 °C (+158 °F)
存储温度 -40 °C (-40 °F) – +85 °C (+185 °F)
湿度 98%相对湿度, 无凝结状态
机械数据
外壳材料 钢
外壳涂层 阴极防腐蚀防护(> 720小时耐盐雾测试) + 油漆喷涂
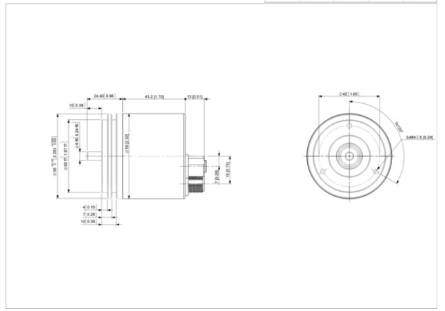
法兰形式 通孔, ø 58 mm
法兰材料 铝
轴的类型 实心轴, 长度 = 10 mm
轴的直径 ø 6 mm (0.24")
轴的材料 不锈钢 V2A (1,4305; 303)
最大轴负载 轴向 40 N (4.5 lbs), 径向 110 N
最小机械寿命 550 (20 N / 40 N), 195 (40 N / 60 N), 135 (40 N / 80 N), 85 (40 N / 110 N)

转子转动惯量 ≤ 30 gcm² [≤ 0.17 oz-in²]
摩擦力矩 ≤ 3 Ncm @ 20 °C (4.2 oz-in @ 68 °F)
最高机械速度 ≤ 12000 1/min
耐冲击性 ≤ 100g (6毫秒半弦波, EN 60068-2-27)
持久的抗冲击性 ≤ 10G(16毫秒半弦波,EN60068-2-29)
耐振动性 ≤ 10 g (10 Hz – 1000 Hz, EN 60068-2-6)
长度 56,7 mm (2.23")
重量 415 g (0.91 lb)
电气连接
连接方向 轴向
连接器 1 M12, 母型, 4针, D码
连接器 2 M12, 公型, 4针, A码
连接器 3 M12, 母型, 4针, D码
产品寿命周期信息
产品寿命周期信息 现有产品
Approval CE
